Hřídel do šrotovníku
- [13.4. 2026]Smazat/ Upravit/ Topovat




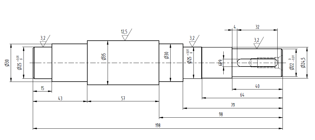
Prodám 2ks nově vyrobených hřídelí do šrotovníku včetně kladívek.
Hřídel je pod ložiska cementovaná a indukčně kalená - takže navěky.
šrotovník, šroťák, kladívkový, kladívka, hřídel, obilí, krmná směs
Hřídel je pod ložiska cementovaná a indukčně kalená - takže navěky.
šrotovník, šroťák, kladívkový, kladívka, hřídel, obilí, krmná směs
|
| |||||||||||||||||||||||||||||||
Kontaktovat inzerenta emailem
Kontaktovat emailem může pouze ověřený uživatel.
Vaše telefonní číslo *
Kontaktovat emailem může pouze ověřený uživatel.
Vaše telefonní číslo *