Minibagr XTM X10s PRO 1000 kg
- [18.12. 2025]Smazat/ Upravit/ Topovat
















Prodám nový minibagr XTM X10s PRO
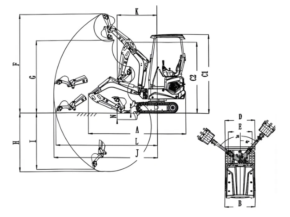
Rozměry:
A) Celková délka (mm) - 2870
B) Celková šířka (mm) - 930
C) Celková výška (s kabinou/bez kabiny) (mm) 2285/2030
D) Šířka radlice (mm) 937
Výška radlice (mm) - 210
Světlá výška (mm) - 405
Standardní šířka lopaty (mm) - 380
Pracovní rozsah:
F) Maximální výška kopání (mm) 2740
G) Maximální výška vyklopení (mm) 2082
H) Maximální hloubka kopání (mm) 1670
I) Maximální vertikální hloubka kopání (mm) 1605
J) Maximální hloubka kopání (mm) 3080
K) Minimální poloměr otáčení vpředu (mm) 1190
L) Maximální vzdálenost kopání od země (mm) 3020
Základní parametry motoru
Výrobce: KOOP
Model: 192FA
Výkon motoru: 7,6/11
Typ chlazení: vzduch
Počet válců 1/1
Další parametry
Stoupavost 30%
Tlak na zem 0,4 kgf/cm3
Maximální rycí síla 6,5 kN
Maximální rychlost pojezdu 1,8 km/h
Rychlost otáčení 9 ot./min
Provozní tlak 16 MPa
Průtok 18 l/min
Objem palivové nádrže 5,5 l
Objem nádrže na hydraulický olej: 18 l
Otočné rameno
Přídavná hydraulická sekce
Chladič hydraulického oleje
Hmotnost stroje s kabinou 1100 kg / bez kabiny 1040 kg
Základní vybavení
- lžíce 200 mm/400 mm/800 mm
Doplňkové vybavení (volitelné)
- Vrtačka -
Bourací zub -
Hrábě
- Demoliční
kladivo - Naklápěcí lžíce
- Mechanický palec
Poskytujeme komplexní servis stavebních strojů, včetně oprav během záruční doby i plného pozáručního servisu.
Opava.
Cena plus DPH.
Rozměry:
A) Celková délka (mm) - 2870
B) Celková šířka (mm) - 930
C) Celková výška (s kabinou/bez kabiny) (mm) 2285/2030
D) Šířka radlice (mm) 937
Výška radlice (mm) - 210
Světlá výška (mm) - 405
Standardní šířka lopaty (mm) - 380
Pracovní rozsah:
F) Maximální výška kopání (mm) 2740
G) Maximální výška vyklopení (mm) 2082
H) Maximální hloubka kopání (mm) 1670
I) Maximální vertikální hloubka kopání (mm) 1605
J) Maximální hloubka kopání (mm) 3080
K) Minimální poloměr otáčení vpředu (mm) 1190
L) Maximální vzdálenost kopání od země (mm) 3020
Základní parametry motoru
Výrobce: KOOP
Model: 192FA
Výkon motoru: 7,6/11
Typ chlazení: vzduch
Počet válců 1/1
Další parametry
Stoupavost 30%
Tlak na zem 0,4 kgf/cm3
Maximální rycí síla 6,5 kN
Maximální rychlost pojezdu 1,8 km/h
Rychlost otáčení 9 ot./min
Provozní tlak 16 MPa
Průtok 18 l/min
Objem palivové nádrže 5,5 l
Objem nádrže na hydraulický olej: 18 l
Otočné rameno
Přídavná hydraulická sekce
Chladič hydraulického oleje
Hmotnost stroje s kabinou 1100 kg / bez kabiny 1040 kg
Základní vybavení
- lžíce 200 mm/400 mm/800 mm
Doplňkové vybavení (volitelné)
- Vrtačka -
Bourací zub -
Hrábě
- Demoliční
kladivo - Naklápěcí lžíce
- Mechanický palec
Poskytujeme komplexní servis stavebních strojů, včetně oprav během záruční doby i plného pozáručního servisu.
Opava.
Cena plus DPH.
|
| |||||||||||||||||||||||||||||||
Kontaktovat inzerenta emailem
Kontaktovat emailem může pouze ověřený uživatel.
Ověření je zdarma.
Vaše telefonní číslo *
Kontaktovat emailem může pouze ověřený uživatel.
Ověření je zdarma.
Vaše telefonní číslo *
Podobné inzeráty
Minibagr XTM X15s - [18.12. 2025]XTM X15s s motorem Kubota
Rozměry:
● Celková šířka: 1100 mm
● Celková délka pro přepravu: 3060 mm
● Délka pásu: 1300 mm
● Výška s kabinou: 2200 mm
● Výška bez kabiny (k joysticku): 1560 mm
● Výška radlice: 200 mm
● Minimální poloměr otáčení: ...
315 000 Kč
Opava
747 06
747 06
43 x
Označit špatný inzerát Chybnou kategorii Ohodnotit uživatele Smazat/Upravit/Topovat
Minibagr XTM X15 bez kabiny - [18.12. 2025]Prodám nový minibagr XTM X15 bez kabiny
Rozměry:
Celková šířka: 1100 mm
Celková přepravní délka: 3060 mm
Délka pásu: 1300 mm
Výška s kabinou: 2200 mm
Výška bez kabiny (k joysticku): 1560 mm
Výška radlice: 200 mm
Minimální poloměr otáčení: 135 ...
268 000 Kč
Opava
747 06
747 06
35 x
Označit špatný inzerát Chybnou kategorii Ohodnotit uživatele Smazat/Upravit/Topovat
Minibagr XTM X10S PRO 2025 s kabinou - [18.12. 2025]Prodám nový minibagr XTM X10s PRO s kabinou
Rozměry:
A) Celková délka (mm) - 2870
B) Celková šířka (mm) - 930
C) Celková výška (s kabinou/bez kabiny) (mm) 2285/2030
D) Šířka radlice (mm) 937
Výška radlice (mm) - 210
Světlá výška (mm) - 405
St ...
206 000 Kč
Opava
747 06
747 06
46 x
Označit špatný inzerát Chybnou kategorii Ohodnotit uživatele Smazat/Upravit/Topovat