Návod k obsluze kombajn Fortschritt E 516
- [13.11. 2025]Smazat/ Upravit/ Topovat


























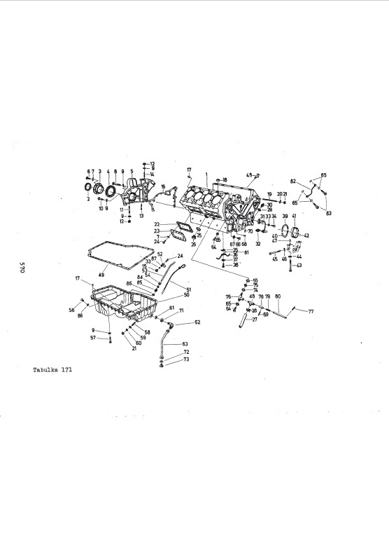
Na kombajn Fortschritt E516 prodám návod k obsluze 108 stran formátu A4 - cena 366,- Kč a katalog náhradních dílů 563 stran formátu A4 (dva svazky) - cena 1516,- Kč - vše v češtině.V případě potřeby mám i schéma zapojení "elektronické řídící jednotky" (mozek nad baterkama). Mám i další příručky na Kombajny Fortschritt MDW - viz ukázkové foto.
|
| |||||||||||||||||||||||||||||||
Kontaktovat inzerenta emailem
Kontaktovat emailem může pouze ověřený uživatel.
Ověření je zdarma.
Vaše telefonní číslo *
Kontaktovat emailem může pouze ověřený uživatel.
Ověření je zdarma.
Vaše telefonní číslo *





