Motory LIAZ M 634 a M 637 - katalogy ND + dílenská příručka
- [11.11. 2025]Smazat/ Upravit/ Topovat






























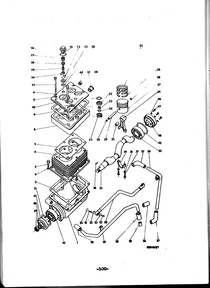
Prodám katalog náhradních dílů na motor ŠKODA LIAZ M 634 (tento motor se používal do traktorů ŠT 180, řezaček SPS 42O a dalších strojů) - 103 stran formátu A4 - cena 334,- Kč, dále prodám katalog náhradních dílů na motor ŠKODA LIAZ M 637 (tento motor se používal do řezaček SP8-050 TORON, jako náhrada za IFA V8 do kombajnů E516 - E 517 a dalších strojů) - 108 stran formátu A4 - cena 337,- Kč. Také prodám DÍLENSKOU PŘÍRUČKU Č. 1 na motory ŠKODA LIAZ M 634, M 637, ML 634, ML 635, ML 636, ML 637, MŠ 634, MŠ 636, MŠ 638, MŠ 640 - 80 stran formátu A4 - cena 258,- Kč.
|
| |||||||||||||||||||||||||||||||
Kontaktovat inzerenta emailem
Kontaktovat emailem může pouze ověřený uživatel.
Ověření je zdarma.
Vaše telefonní číslo *
Kontaktovat emailem může pouze ověřený uživatel.
Ověření je zdarma.
Vaše telefonní číslo *
Podobné inzeráty
Vstřikovací čerpadla po GO zetor - [5.11. 2025]Prodám vstřikovací čerpadla po Generální opravě motorpal na motory Zetor. Záruka a doklad samozřejmostí. Možnost i výměným způsobem pokud máme čerpadlo skladem. Dále je možné opravit a seřídit vaše vstřikovací čerpadlo avia, zetor, liaz atd.
Dohodou
Prostějov
798 41
798 41
205 x
Označit špatný inzerát Chybnou kategorii Ohodnotit uživatele Smazat/Upravit/Topovat









