Navařovací rám, upínací deska S60
- [26.10. 2025]Smazat/ Upravit/ Topovat










Navařovací deska, skandinávské upínání S60
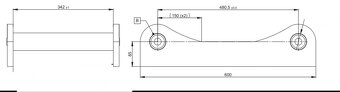
Rozměry:
délka 600mm
průměr čepu 60mm
tloušťka materiálu 25mm
šířka 342mm
osová vzdálenost 480,50mm
Uvedená cena je bez DPH
Při platbě v EUR bude fakturována částka dle aktuálního kurzu.
Rozměry:
délka 600mm
průměr čepu 60mm
tloušťka materiálu 25mm
šířka 342mm
osová vzdálenost 480,50mm
Uvedená cena je bez DPH
Při platbě v EUR bude fakturována částka dle aktuálního kurzu.
|
| |||||||||||||||||||||||||||||||
Kontaktovat inzerenta emailem
Kontaktovat emailem může pouze ověřený uživatel.
Ověření je zdarma.
Vaše telefonní číslo *
Kontaktovat emailem může pouze ověřený uživatel.
Ověření je zdarma.
Vaše telefonní číslo *