Motory LIAZ M 634 a M 637 - katalogy ND + dílenská příručka
- [11.10. 2025]Smazat/ Upravit/ Topovat











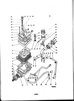
Prodám katalog náhradních dílů na motor ŠKODA LIAZ M 634 (tento motor se používal do traktorů ŠT 180, řezaček SPS 42O a dalších strojů) - 103 stran formátu A4 - cena 334,- Kč, dále prodám katalog náhradních dílů na motor ŠKODA LIAZ M 637 (tento motor se používal do řezaček SP8-050 TORON, jako náhrada za IFA V8 do kombajnů E516 - E 517 a dalších strojů) - 108 stran formátu A4 - cena 337,- Kč. Také prodám DÍLENSKOU PŘÍRUČKU Č. 1 na motory ŠKODA LIAZ M 634, M 637, ML 634, ML 635, ML 636, ML 637, MŠ 634, MŠ 636, MŠ 638, MŠ 640 - 80 stran formátu A4 - cena 258,- Kč.
|
|
Kontaktovat inzerenta emailem
Kontaktovat emailem může pouze ověřený uživatel.
Ověření je zdarma.
Vaše telefonní číslo *
Kontaktovat emailem může pouze ověřený uživatel.
Ověření je zdarma.
Vaše telefonní číslo *
Podobné inzeráty

k použití do:
traktor zetor tatra liaz tdi kombajn nakladač
bagr minibagr traktorbagr smykový nakladač dumper rypadlo bagřík traktůrek
sklápěč sklopka nosič kontejnerů sdi daf
ifa avia robur a75 a80 a90
Dobrý den, prodám soudek 60L tohoto ole ...
V textu
Klatovy
341 01
341 01
68 x
Označit špatný inzerát Chybnou kategorii Ohodnotit uživatele Smazat/Upravit/Topovat

možno použít v:
traktor zetor A 25 škoda liaz ifa robur roman
avia tatra rto sekačka motorová pila harvestor řetěz lis ztrátové mazání
prodám soudek 60L tohoto oleje:
Motorový olej M6A je jednostupňový motorový olej. Je vyroben z kvalitních r ...
V textu
Klatovy
341 01
341 01
63 x
Označit špatný inzerát Chybnou kategorii Ohodnotit uživatele Smazat/Upravit/Topovat

Prodám Liaz MTS 27 4x4. Pracovní stroj SS, tedy bez nutnosti tachografu, STK a silniční daně. Chytá na otočení, brzdí, řízení bez vůlí. Doteď v provozu. K vozu je fekál ACF-041, rozmetadlo RMA -8 a nízká korba. Stav nástaveb odpovídá stáří. Dále jsou ...
400 000 Kč
Strakonice
387 11
387 11
1641 x
Označit špatný inzerát Chybnou kategorii Ohodnotit uživatele Smazat/Upravit/Topovat